回转式空气分配器
销售热线: (0)189 0627 1888 联系人: 胡先生 传真: 0513-8844 8088
一、 概述

回转式空气分配器是通过阀芯旋转,将风机送入的空气由旋转阀芯依次分配给各个出风口,而获得定时定量的压缩空气,再通过管道送到各均化区(配充气箱),依次循环使粉料得到均化。
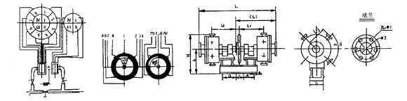
二、回转式空气分配器原理图

三、 技术参数表
|
名称 |
QFFΦ 单四嘴 |
QFFΦ 单八嘴 |
QFFΦ 双六嘴 |
QFFΦ 四、八嘴 |
|
|
外形尺寸 |
2160×950×820 |
1600×1700×910 |
2006×2165×1100 |
1630×1700×9100 |
|
|
减速电机 |
摆线针轮减速机BWEY2715-1505 |
摆线针轮减速机BWEY2715-1505 |
摆线针轮减速机XWEY-106 |
摆线针轮减速机BWEY2715-1505 |
|
|
链传动 |
Z1=17、Z2=68 |
Z1=17、Z2=68 |
Z1=19、Z2=66 |
Z1=17、Z2=68 |
|
|
分配阀名称 |
四嘴 |
八嘴 |
六嘴 |
四嘴 |
八嘴 |
|
进气口直径(Φmm) |
100 |
100 |
150 |
100 |
100 |
|
出气口直径(Φmm) |
100 |
80 |
125 |
100 |
80 |
|
风量(m3/min) |
10 |
4 |
8.5 |
10 |
4 |
|
工作风压(MPa) |
0.07 |
0.04 |
0.07 |
0.04 |
|
|
阀芯转速(r/min) |
0.25 |
0.25 |
0.288 |
0.25 |
|
|
最大使用压力(Mpa) |
0.1 |
0.1 |
0.1 |
0.1 |
|
|
配套选用 |
Φ |
Φ |
Φ |
Φ |
|


上一页:[均化系列]
下一页:库底卸料阀系统
关键字:回转式空气分配器
产品别名:
相关产品:回转式空气分配器


















